歡迎訪問上海靜禹閥門有限公司官網!
|
電話:021-52735798 郵箱:jingyuvalve@163.com |

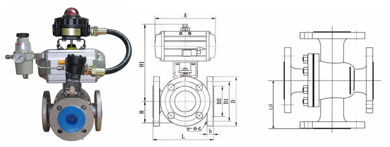
| 公稱通徑 | DN15~DN200(mm) |
| 公稱壓力 | PN1.6、2.5、4.0、6.4MPa |
| 連接形式 | 法蘭式 |
| 結構形式 | 四通鑄造閥 |
| 驅動方式 | 氣源控制(壓縮空氣4-7bar) |
| 使用溫度 | -40℃~450℃ |
| 控制形式 | 開關型(開關兩位控制)、調節型(4~20mA信號) |
| 閥體材質 | 碳鋼WCB、不銹鋼304、316、316L |
| 密封材料 | PTFE(聚四氟乙烯)、PPL(對位聚苯)、金屬密封(硬質合金) |

氣動四通球閥可選功能:
| 驅動方式 | 壓縮空氣(可帶手輪) |
| 供氣壓力 | 0.4-0.7mpa |
| 氣源接口 | G1/4"、G1/8"、G3/8"、G1/2" |
| 環境溫度 | -30~+70℃ |
| 作用形式 |
單作用(彈簧復位):氣關式(B)--失氣時閥位開(FO);氣開式(K)--失氣時閥位關(FC)
雙作用(通氣開關):氣關式(B)--失氣時閥不變(FL);氣開式(K)--失氣時閥不變(FL)
|
| 可選附件 | 定位器、電磁閥、空氣過濾減壓器、保位閥、行程開關、閥位傳送器、手輪機構等 |